欢迎您访问无锡市马先达气动成套厂/无锡铭睿达机械科技有限公司的网站!
加入收藏
|
企业邮局
导航
首页导航
公司介绍
新闻动态
产品展示
视频中心
在线留言
联系我们
产品展示
主营产品:气缸、油缸、气动元件及液压系统。
拥有专业的设计和业务人员,可根据客户的要求,提供较佳配备的气动、液压产品
气缸
电磁阀
气源处理元件
气动附件
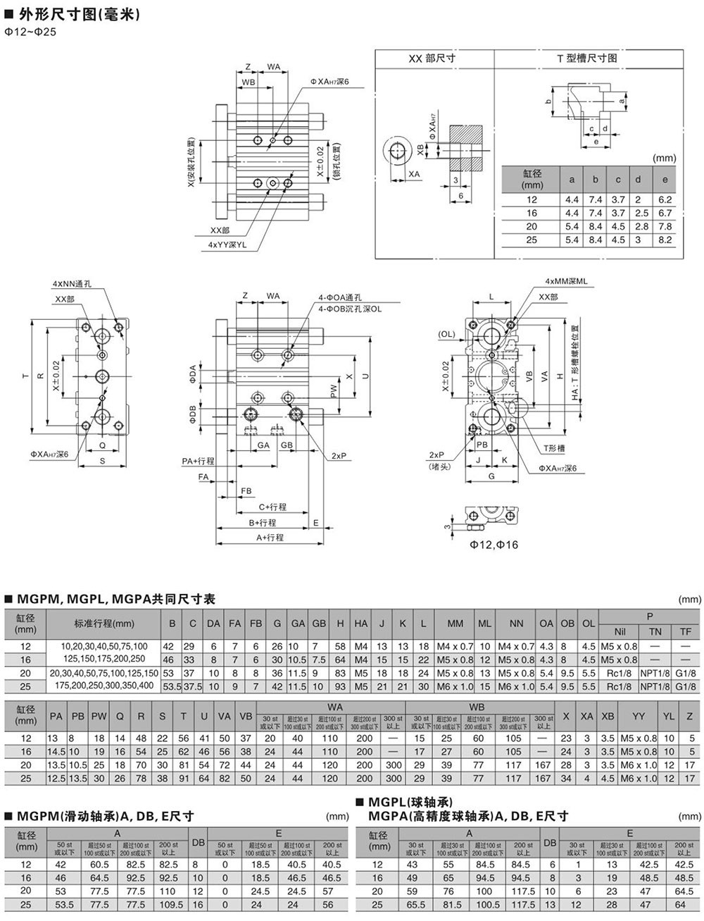
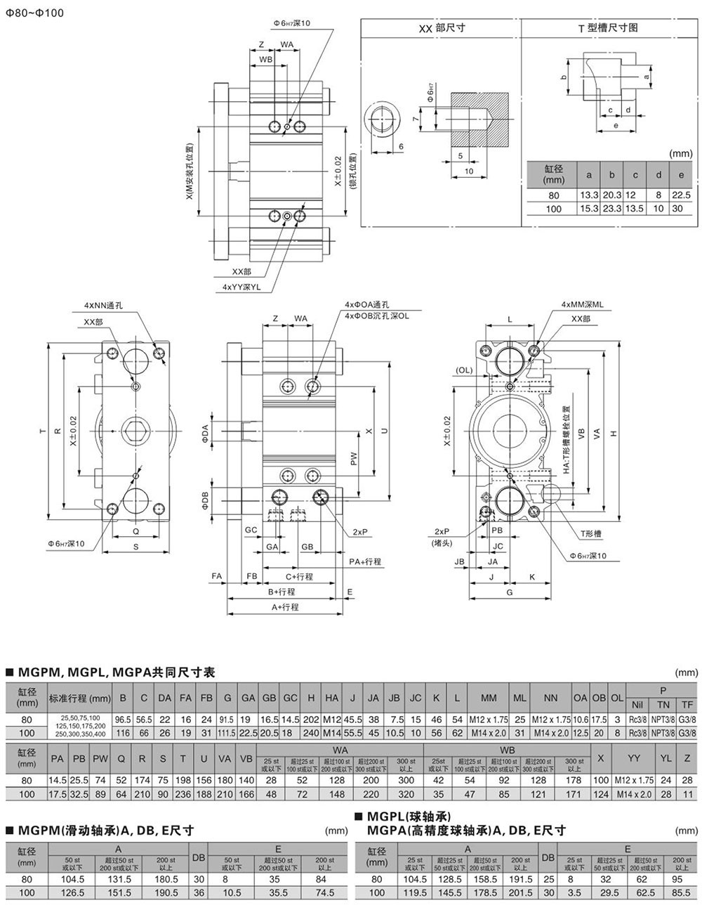
MGP系列
◀ 上一页
返回顶部
下一页 ▶
首页导航
公司介绍
新闻动态
产品展示
在线留言
联系我们